
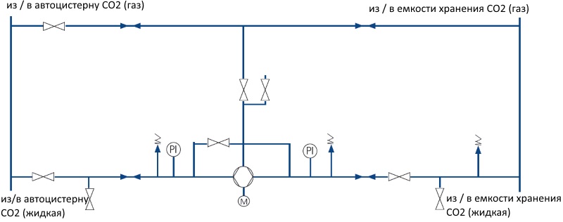
Узел заправки автоцистерн предназначен для перекачки жидкой СО2 из/в емкости хранения.
Узел заправки автоцистерн состоит из насоса высокого давления прозводительностью 20 тонн/час, установленного на опорной раме со всей необходимой обвязкой.
• СО2 насос высокого давления
• Предохранительные клапаны
• Перепускной клапан и запорная арматура
• Панель управления
• Манометры на входе и выходе
• Опорная рама
Производительность: 20тонн/ч
Перепад давления, не более: 3,5 бар
Давление нагнетания, макс: 25 бар (макс)
Мощность АС привода: 7,5 кВт
Подключение: трубопроводы под приварку
Напряжение: 3X380/415V + PE
Питание системы управления: 230VAC/24VDC
Частота: 50/60 Гц
Степень защиты: IP55
Производительность: 20тонн/ч
Перепад давления, не более: 3,5 бар
Давление нагнетания, макс: 25 бар (макс)
Мощность АС привода: 7,5 кВт
Подключение: трубопроводы под приварку
Напряжение: 3X380/415V + PE
Питание системы управления: 230VAC/24VDC
Частота: 50/60 Гц
Степень защиты: IP55

